Novinky
31.03.2026
OBJEVTE LIMITOVANOU EDICÍ 1205SUB750
U příležitosti oslav 90 let řemeslného zpracování představujeme limitovanou edici 1205SUB750. Tato limitovaná edice přívěsu je určena pro ty, kteří si...
číst celé
23.02.2026
SONDA II – maximální využití, minimální námaha při nakládání.
SONDA II – sklopné přívěsy nové generace
Do nabídky zařazujeme novinku v podobě sklopných přívěsů řady SONDA II od výrobce NIEWIADÓW. Tyto modely jso...
číst celé
12.08.2024
Prodejna Mělník na nové adrese!
NOVÁ ADRESA PRODEJNY MĚLNÍK! Nově je tato prodejna přesunuta na novou adresu !
Prodej přívěsných vozíků, skladem více než 200ks přívěsů k okamžitému ...
číst celé
- Úvod
- NÁHRADNÍ DÍLY
- Spojovací zařízení
- Tažné spojky
- STEELPRESS SPP
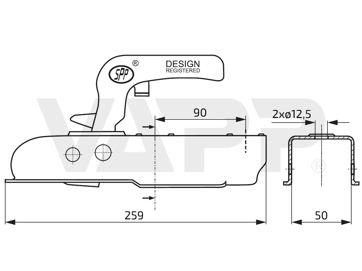
- Tažná spojka SPP ZSK-750H, 750 kg, 50x50 mm, V12
Tažná spojka SPP ZSK-750H, 750 kg, 50x50 mm, V12
- Kompletní specifikace
- Hodnocení 0
- Komentáře 0
Tažná spojka SPP ZSK-750H, 750 kg, 50x50 mm, V12Skladem409,00 Kč/ ks338,02 Kč bez DPH
Kompletní specifikace
Tažná kulová spojka SPP ZSK-750C je určená pro montáž na nebrzděné přívěsy do 750 kg, a to na jekl o průměru 50x50 mm. Je opatřena vrtáním pro svisle umístěné upevňovací šrouby M12 v rozteči 90 mm. V rukojeti tažné spojky je otvor umožňující zamknout zavřenou tažnou spojku pomocí univerzálního zámku s objednacím číslem 110108.
| výrobce | SPP |
| montáž na jekl šíře (mm) | 50x50 mm |
| max. hmotnost přívěsu (kg) | 750 |
| max. povolené svislé zatížení (kg) | 75 |
| velikost vertikálních šroubů | M12 |
| pro přívěsy | nebrzděné |
| hodnota D/Dc (kN) | 7,2 |
| homologace | E4-55R-010027 |
| materiál | plech |
| otvory pro uchycení | 2x vertiálně |
| pro kouli o průměru (mm) | 50 |
| pro profil | jekl |
| zámek součástí dodávky | ne |
Zboží zařazeno v kategoriích






