Novinky
31.03.2026
OBJEVTE LIMITOVANOU EDICÍ 1205SUB750
U příležitosti oslav 90 let řemeslného zpracování představujeme limitovanou edici 1205SUB750. Tato limitovaná edice přívěsu je určena pro ty, kteří si...
číst celé
23.02.2026
SONDA II – maximální využití, minimální námaha při nakládání.
SONDA II – sklopné přívěsy nové generace
Do nabídky zařazujeme novinku v podobě sklopných přívěsů řady SONDA II od výrobce NIEWIADÓW. Tyto modely jso...
číst celé
12.08.2024
Prodejna Mělník na nové adrese!
NOVÁ ADRESA PRODEJNY MĚLNÍK! Nově je tato prodejna přesunuta na novou adresu !
Prodej přívěsných vozíků, skladem více než 200ks přívěsů k okamžitému ...
číst celé
- Úvod
- NÁHRADNÍ DÍLY
- Kola, pneu, disky
- Příslušenství
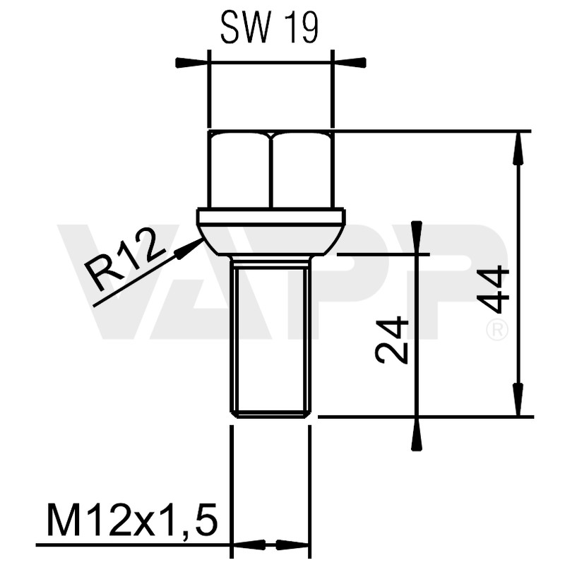
- Šroub kolový M12x1,5x24 kulový 8.8
Šroub kolový M12x1,5x24 kulový 8.8
- Kompletní specifikace
- Hodnocení 0
- Komentáře 0
Šroub kolový M12x1,5x24 kulový 8.8Skladem34,00 Kč/ ks28,10 Kč bez DPH
Kompletní specifikace
- Šroub M12x1,5x24 s kulovou dosedací plochou a šestihrannou hlavou pro uchycení disku kola k náboji nápravy.
- Vhodný např. pro nápravy AL-KO a KNOTT do nosnosti 1800 kg na nápravu.
- Šroub je určený výhradně pro použití s disky s odpovídajícím otvorem a kulovou dosedací plochou pro šroub. Použitím šoubu s nevhodnou dosedací plochou (např. kuželových šroubů do disků s kulovou dosedací plochou) je nepřípustné - krom poškození dosedací plochy pro šroub může během jízdy docházet k samovolnému povolení šroubů a uvolnění kola.
- Šroub má šestihrannou hlavu pro dotažení klíčem 19 mm
- Třída pevnosti 8.8.
- Povrchová úprava galvanickým pozinkováním.
- Délka závitu 24 mm je vhodná pro použití v kombinaci s plechovými disky. Pro ALU disky je většinou potřeba dle doporučení výrobce disku volit šroub větší délky z důvodu větší tloušťky disku v místě průchodu šroubu.
- Pokud výrobce vozidla nestanoví jinak, je doporučený utahovací moment 90 Nm.
- Kolové šrouby se doporučuje vždy utahovat postupně křížem. Tím se zajišťuje rovnoměrné rozložení síly a správné upevnění kola.
Zboží zařazeno v kategoriích






