- Úvod
- NÁHRADNÍ DÍLY
- Nápravy, osy, tlumiče
- Nápravy
- Brzděné nápravy
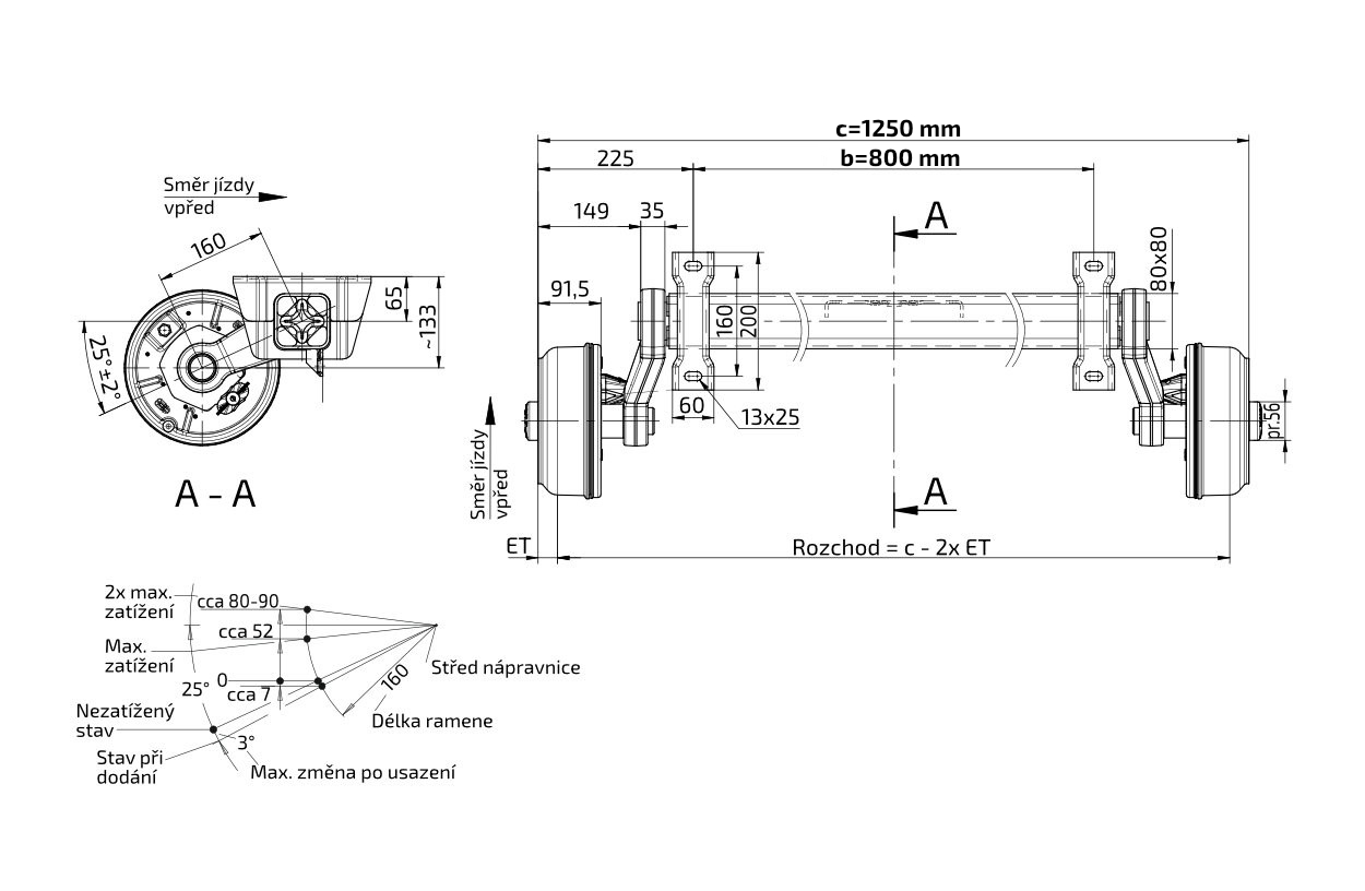
- Náprava KNOTT VGB 13 (1350 kg) b= 800 mm, c=1250 mm, 200x50, 112x5
Náprava KNOTT VGB 13 (1350 kg) b= 800 mm, c=1250 mm, 200x50, 112x5
- Kompletní specifikace
- Parametry
- Hodnocení 0
- Komentáře 0
Náprava KNOTT VGB 13 (1350 kg) b= 800 mm, c=1250 mm, 200x50, 112x5Skladem13 674,00 Kč/ ks11 300,83 Kč bez DPH
Náprava je dodávána bez lanovodů a kolových šroubů. Vhodné lanovody a kolové šrouby najdete níže na stránce v nabídce souvisejících produktů. Kolové šrouby vybírejte podle specifikace dosedací plochy šroubu vašich disků. Při použití kolového šroubu s nevhodnou dosedací plochou může dojít k uvolnění šroubu během jízdy. K nové nápravě použijte vždy nové kolové šrouby. Kolové šrouby nemažte olejem ani jiným mazacím tukem.
Doporučená délka lanovodů pro jednonápravový přívěs:
2 ks délka bovdenu 530 mm
Doporučené délky lanovodů pro dvounápravový přívěs:
přední náprava: 1 ks délka bovdenu 830 mm, 1 ks délka bovdenu 930 mm
zadní náprava: 2 ks délka bovdenu 1430 mm
Lanovody s rychlomontážní koncovkou (tzv. čočkou) nelze použít v kombinaci se starým typem vahadel bez bočního průžezu pro zavléknutí rychlomontážního lanovodu. Pro tyto starší typy vahadel, které mají pro namontování lan pouze otvor bez bočního průřezu je nutné použít lanovody se závitem M8.
Doporučujeme používat výhradně originální KNOTT lanovody s teflonovou vložkou (černé opláštění bovdenu) nebo originální KNOTT lanovody s teflonovou vložkou a nerezovým lankem (modré opláštění bovdenu). Výroba originálních lanovodů KNOTT je přísně kontrolována v oblasti jakosti použitých materiálů, kvality a přesnosti výroby, pevnosti a bezpečnosti finálního produktu. Originální lanovody KNOTT jsou zárukou bezpečného a bezproblémového chodu brzdového systému.
Upozornění: Na trhu se objevují napodobeniny originálních lanovodů KNOTT jak v černém, tak modrém opláštění bovdenu, vyrobené s odlišných materiálů a typů lanek. Jakákoliv disfunkce brzdového systému nebo následná škoda vzniklá použitím takových neoriginálních brzdových lan není kryta zárukou.
| šířka v montážních úchytech (mm) | 800 |
| šířka přes dosedací plochy bubnů (mm) | 1250 |
| hmotnost (kg) | 55 |
| Výrobce | KNOTT |
| brzděná/nebrzděná | brzděná |
| maximální zatížení nápravy (kg) | 1350 |
| odpružení | pryžové |
| odolnost vůči vodě | Standardní |
| úhel ramen (°) | 25 |
| kolová jednotka | KNOTT typ 20-2425/1 (200x50) |
| kolový úchyt | 112x5 |
| povolený zális kola (ET / IS) | 25-35 mm |
| příprava pro tlumiče | ne |
| samostavy | ne |






