Novinky
31.03.2026
OBJEVTE LIMITOVANOU EDICÍ 1205SUB750
U příležitosti oslav 90 let řemeslného zpracování představujeme limitovanou edici 1205SUB750. Tato limitovaná edice přívěsu je určena pro ty, kteří si...
číst celé
23.02.2026
SONDA II – maximální využití, minimální námaha při nakládání.
SONDA II – sklopné přívěsy nové generace
Do nabídky zařazujeme novinku v podobě sklopných přívěsů řady SONDA II od výrobce NIEWIADÓW. Tyto modely jso...
číst celé
12.08.2024
Prodejna Mělník na nové adrese!
NOVÁ ADRESA PRODEJNY MĚLNÍK! Nově je tato prodejna přesunuta na novou adresu !
Prodej přívěsných vozíků, skladem více než 200ks přívěsů k okamžitému ...
číst celé
- Úvod
- NÁHRADNÍ DÍLY
- Nápravy, osy, tlumiče
- Nápravy
- Nebrzděné do 1300kg
- Náprava KNOTT G 13 (1300 kg) b=1460 mm, 100x4, vysoké patky (Sacher)
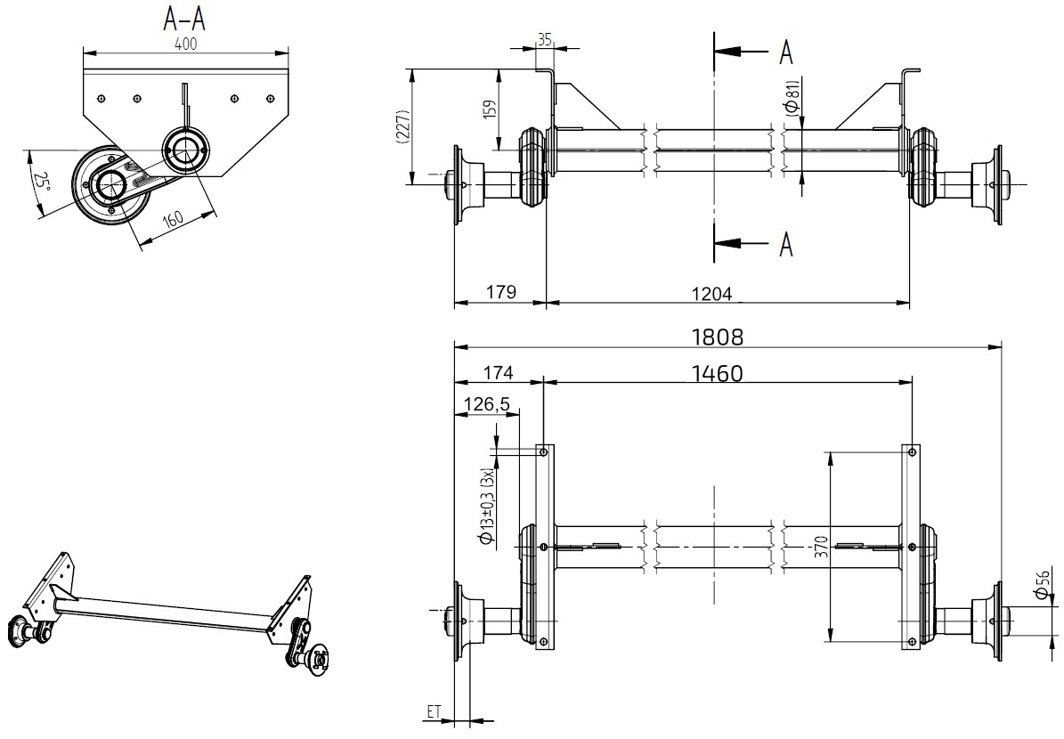
Náprava KNOTT G 13 (1300 kg) b=1460 mm, 100x4, vysoké patky (Sacher)
- Kompletní specifikace
- Hodnocení 0
- Komentáře 0
Náprava KNOTT G 13 (1300 kg) b=1460 mm, 100x4, vysoké patky (Sacher)Není skladem11 456,00 Kč/ ks9 467,77 Kč bez DPH
Kompletní specifikace
| šířka v montážních úchytech (mm) | 1808 |
| šířka přes dosedací plochy bubnů (mm) | 1460 |
| hmotnost (kg) | 50 |
| Výrobce | KNOTT |
| brzděná/nebrzděná | nebrzděná |
| maximální zatížení nápravy (kg) | 1300 |
| odpružení | pryžové |
| odolnost vůči vodě | Standardní |
| úhel ramen (°) | 25 |
| kolový úchyt | 100x4 |
| povolený zális kola (ET / IS) | 26-35 mm |
| příprava pro tlumiče | ne |
Zboží zařazeno v kategoriích






