Novinky
31.03.2026
OBJEVTE LIMITOVANOU EDICÍ 1205SUB750
U příležitosti oslav 90 let řemeslného zpracování představujeme limitovanou edici 1205SUB750. Tato limitovaná edice přívěsu je určena pro ty, kteří si...
číst celé
23.02.2026
SONDA II – maximální využití, minimální námaha při nakládání.
SONDA II – sklopné přívěsy nové generace
Do nabídky zařazujeme novinku v podobě sklopných přívěsů řady SONDA II od výrobce NIEWIADÓW. Tyto modely jso...
číst celé
12.08.2024
Prodejna Mělník na nové adrese!
NOVÁ ADRESA PRODEJNY MĚLNÍK! Nově je tato prodejna přesunuta na novou adresu !
Prodej přívěsných vozíků, skladem více než 200ks přívěsů k okamžitému ...
číst celé
- Úvod
- NÁHRADNÍ DÍLY
- Nápravy, osy, tlumiče
- Tlumiče náprav a držáky
- Tlumič k nápravě KNOTT (do 1300kg/1 náprava) montáž před kolo, zelený
Tlumič k nápravě KNOTT (do 1300kg/1 náprava) montáž před kolo, zelený
- Kompletní specifikace
- Parametry
- Hodnocení 0
- Komentáře 0
Tlumič k nápravě KNOTT (do 1300kg/1 náprava) montáž před kolo, zelenýNení skladem1 418,00 Kč/ ks1 171,90 Kč bez DPH
Kompletní specifikace
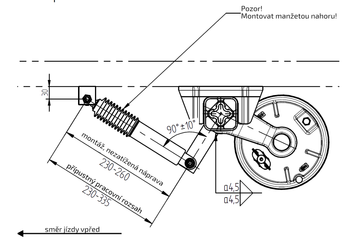
Originální tlumič k nápravě KNOTT, verze pro montáž před kolo, manžetou tlumiče směrem nahoru - viz výkresy ve fotogalerii.
Určeno pro přívěsy o maximální povolené hmotnosti:
jednonápravový 1300kg
dvounápravový 2500kg
Předepsaný utahovací moment při montáži činí 80-85Nm.
Součástí balení není montážní materiál!
Dostupnost: 14 dnů
Parametry
VýrobceKNOTT
Zboží zařazeno v kategoriích








