Novinky
31.03.2026
OBJEVTE LIMITOVANOU EDICÍ 1205SUB750
U příležitosti oslav 90 let řemeslného zpracování představujeme limitovanou edici 1205SUB750. Tato limitovaná edice přívěsu je určena pro ty, kteří si...
číst celé
23.02.2026
SONDA II – maximální využití, minimální námaha při nakládání.
SONDA II – sklopné přívěsy nové generace
Do nabídky zařazujeme novinku v podobě sklopných přívěsů řady SONDA II od výrobce NIEWIADÓW. Tyto modely jso...
číst celé
12.08.2024
Prodejna Mělník na nové adrese!
NOVÁ ADRESA PRODEJNY MĚLNÍK! Nově je tato prodejna přesunuta na novou adresu !
Prodej přívěsných vozíků, skladem více než 200ks přívěsů k okamžitému ...
číst celé
- Úvod
- NÁHRADNÍ DÍLY
- Nápravy, osy, tlumiče
- Brzdové bubny a přísl.
- Příslušenství
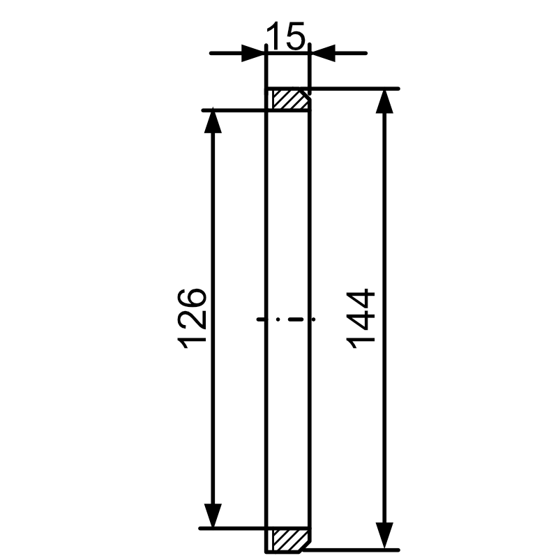
- Snímací kroužek ABS 03.310.07.21.0 Z80 - BPW originál - VÝPRODEJ
Snímací kroužek ABS 03.310.07.21.0 Z80 - BPW originál - VÝPRODEJ
- Parametry
- Hodnocení 0
- Komentáře 0
Snímací kroužek ABS 03.310.07.21.0 Z80 - BPW originál - VÝPRODEJSkladem2 892,00 Kč/ ks2 390,08 Kč bez DPH
Parametry
VýrobceBPW
Zboží zařazeno v kategoriích







