Novinky
31.03.2026
OBJEVTE LIMITOVANOU EDICÍ 1205SUB750
U příležitosti oslav 90 let řemeslného zpracování představujeme limitovanou edici 1205SUB750. Tato limitovaná edice přívěsu je určena pro ty, kteří si...
číst celé
23.02.2026
SONDA II – maximální využití, minimální námaha při nakládání.
SONDA II – sklopné přívěsy nové generace
Do nabídky zařazujeme novinku v podobě sklopných přívěsů řady SONDA II od výrobce NIEWIADÓW. Tyto modely jso...
číst celé
12.08.2024
Prodejna Mělník na nové adrese!
NOVÁ ADRESA PRODEJNY MĚLNÍK! Nově je tato prodejna přesunuta na novou adresu !
Prodej přívěsných vozíků, skladem více než 200ks přívěsů k okamžitému ...
číst celé
- Úvod
- NÁHRADNÍ DÍLY
- Opěrná kolečka a podpěry
- Opěrné nohy
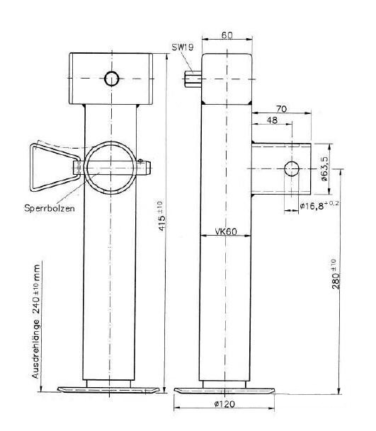
- Opěrná noha SF 60/19/265 KNOTT (bez příruby) - NOVINKA
Opěrná noha SF 60/19/265 KNOTT (bez příruby) - NOVINKA
- Kompletní specifikace
- Hodnocení 1
- Komentáře 0
Opěrná noha SF 60/19/265 KNOTT (bez příruby) - NOVINKASkladem2 065,00 Kč/ ks1 706,61 Kč bez DPH
Kompletní specifikace
Opěrná noha se montuje na přírubu (přírubu nutno dokoupit samostatně). Na přírubě lze
opěrnou nohu volně otáčet a aretovat ji v pracovní svislé poloze nebo v přepravní vodorovné
poloze. Aretační kolík (čep) je vybaven pružnou kuličkovou pojistkou proti vypadnutí. Aretační
kolík na řetízku je součástí dodávky opěrné nohy.
Opěrná noha je opatřena 19 mm šestihranem. Otáčením šestihranu lze vysunout spodní část
nohy až o 240 mm.
Max. povolené zatížení: 1300 kg
Max. výsuv: 240 mm (+/- 10 mm)
Výška na střed příruby: 280 mm (+/- 10 mm) zasunutá
Celková výška: 415 mm (+/- 10 mm)
Opěrná noha je plně kompatibilní s přírubou pro opěrnou nohu SF
60 Winterhoff a klikami SW19, SW19K a SW19L (pro šestihran 19 mm).
Zboží zařazeno v kategoriích






