- Úvod
- NÁHRADNÍ DÍLY
- Nápravy, osy, tlumiče
- Nápravy
- Nebrzděné do 1300kg
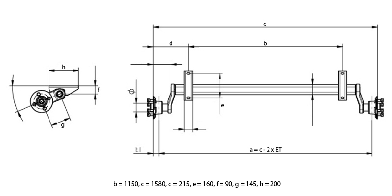
- Náprava AL-KO Plus UBR 1200-5 (1300 kg) a=1150 mm, 100x4
Náprava AL-KO Plus UBR 1200-5 (1300 kg) a=1150 mm, 100x4
- Kompletní specifikace
- Parametry
- Hodnocení 0
- Komentáře 0
Náprava AL-KO Plus UBR 1200-5 (1300 kg) a=1150 mm, 100x4Není skladem11 265,00 Kč/ ks9 309,92 Kč bez DPH
Výrobce: AL-KO
Brzděná/nebrzděná: nebrzděná
Max. zatížení nápravy: 1300kg
Šířka nápravy v montážních úchytech: 1150mm
Šířka nápravy přes dosedací plochy bubnů/nábojů: 1600mm
Kolový úchyt: 100 x 4
Příprava pro tlumiče: ne
Úhel ramen: 25°
Hmotnost: 35kg
Odolnost vůči vodě: standardní
Robustní nebrzděná náprava AL-KO UBR 1200-5 s nosností 1300 kg je osazena kvalitními
zapouzdřenými bezúdržbovými ložisky a vybavena systémem odpružení AL-KO v gumových
pružicích vložkách. Díky speciálnímu tvarování vnitřního uložení i vnějšího pláště nápravnice
dochází při pružení nejen k prostému stlačování gum, ale i k jejich částečnému odvalovaní při
obou směrech pohybu. Tím je dosaženo vysokého vlastního tlumení i bez použití přídavných
hydraulických tlumičů a lepšího jízdního komfortu než u standardních náprav se čtvercovým
průřezem nápravnice.
Ramena nápravy jsou pod plastovými záslepkami standardně vybavena otvory pro vložení
držáků hydrulických tlumičů. (Držáky tlumičů a tlumiče je nutné objednávat zvlášť, nejsou
součástí dodávky.)
K nápravě lze dodat kolové šrouby s kulovou nebo kuželovou dosedací plochou. Čtyřděrový
kolový úchyt má průměr roztečné kružnice 100 mm (rozteč 100 mm naměříte přes střed
náboje mezi středy protilehlých otvorů).






